GE IS200TTURH1CED
  • GE IS200TTURH1CED GE IS200TTURH1CED
  • GE IS200TTURH1CED GE IS200TTURH1CED
  • GE IS200TTURH1CED GE IS200TTURH1CED

GE IS200TTURH1CED

ยี่ห้อ: GE
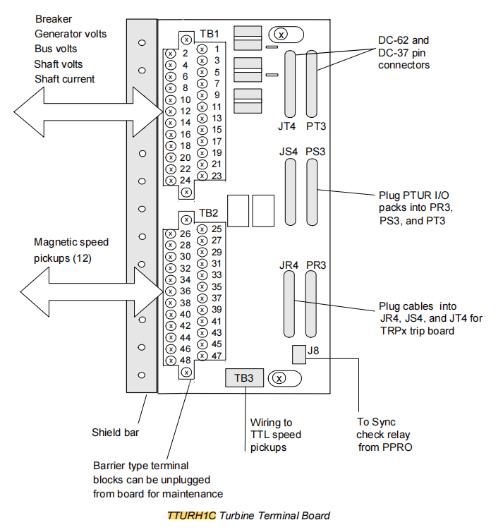
คำอธิบาย: บอร์ดเทอร์มินัลเอาท์พุต
สภาพ: ใหม่เอี่ยม
ใบรับรอง: จดหมายรับประกันรายงานการทดสอบ COO
การรับประกัน: 1 ปี
จำนวนสินค้าคงคลัง: 14
เงื่อนไขการชำระเงิน: ที/ที
พอร์ตการจัดส่งสินค้า: เซียะเหมิน
GE IS200TTURH1CED คือแผงเทอร์มินัลเอาท์พุตมาสเตอร์ทริปเฉพาะกังหันที่เชื่อถือได้สูงและปลอดภัย ออกแบบโดย General Electric สำหรับกังหัน Mark VIe และ Mark VIeS ขั้นสูงและระบบควบคุมกระบวนการ ในฐานะองค์ประกอบด้านความปลอดภัยที่สำคัญของสถาปัตยกรรม I/O แบบกระจาย Mark VIe ภารกิจหลักของบอร์ดนี้คือการดำเนินการคำสั่งปิดเครื่องขั้นสุดท้ายและไม่สามารถย้อนกลับได้จากตัวควบคุม

ส่งคำถาม

รายละเอียดสินค้า

ผลิต
จีอี
หมายเลขรุ่น
IS200TTURH1CED
หมายเลขการสั่งซื้อ
IS200TTURH1CED
แคตตาล็อก
มาร์ควี
ประเทศต้นกำเนิด
สหรัฐอเมริกา
รหัส HS
8479909090
มิติ
233×160มม
น้ำหนัก
0.32 กก

ภาพรวมผลิตภัณฑ์

GE IS200TTURH1CED เป็นแผงเทอร์มินัลเอาต์พุตทริปหลักเฉพาะกังหันที่เชื่อถือได้และปลอดภัยสูง ออกแบบโดย General Electric สำหรับกังหัน Mark VIe และ Mark VIeS ขั้นสูงและระบบควบคุมกระบวนการ ในฐานะองค์ประกอบด้านความปลอดภัยที่สำคัญของสถาปัตยกรรม I/O แบบกระจาย Mark VIe ภารกิจหลักของบอร์ดนี้คือการดำเนินการคำสั่งปิดเครื่องขั้นสุดท้ายและไม่สามารถย้อนกลับได้จากตัวควบคุม IS200TTURH1CED รับสัญญาณอิเล็กทรอนิกส์จากโมดูลโปรเซสเซอร์ I/O ทริปปฐมภูมิเฉพาะของ Turbine และตัดหรือเชื่อมต่อวงจรไฟฟ้ากับแอคทูเอเตอร์หลัก เช่น วาล์วตัดน้ำมันเชื้อเพลิง วาล์วโซลินอยด์ทริปไฮดรอลิก และคอยล์ทริปเบรกเกอร์วงจรกำเนิดไฟฟ้าผ่านรีเลย์แม่เหล็กไฟฟ้าความจุขนาดใหญ่ที่บูรณาการภายใน ทำให้สามารถปิดอุปกรณ์ไฟฟ้าหลัก เช่น กังหันก๊าซและกังหันไอน้ำได้อย่างปลอดภัย รวดเร็ว และเชื่อถือได้ บอร์ดนี้ไม่ได้เป็นเพียงบอร์ดรีเลย์เท่านั้น มันเป็นตัวดำเนินการขั้นสูงสุดของฟังก์ชันของระบบเครื่องมือความปลอดภัยทั้งหมดในโลกทางกายภาพ การออกแบบเป็นไปตามหลัก Fail-Safe และเป็นแนวป้องกันสุดท้ายเพื่อให้มั่นใจในความปลอดภัยของบุคลากร อุปกรณ์ และสิ่งแวดล้อม

คุณสมบัติฟังก์ชั่นผลิตภัณฑ์

ปฏิบัติหน้าที่ด้านความปลอดภัยขั้นสูงสุด - การเดินทางหลัก

TTURH1CED เป็นหน่วยประมวลผลทางกายภาพขั้นสุดท้ายของตรรกะการป้องกัน เมื่อตัวควบคุม Mark VIe ตรวจพบสภาวะใดๆ ที่เป็นอันตรายต่อความปลอดภัยของอุปกรณ์ ตัวควบคุมจะส่งคำสั่งตัดการทำงานไปยังโมดูล PTUR จากนั้น PTUR จะขับเคลื่อนรีเลย์บนบอร์ด TTUR เพื่อทำงาน โดยตัดการจ่ายน้ำมันเชื้อเพลิงโดยตรงหรือกระตุ้นการเคลื่อนที่ของกลไก ส่งผลให้สามารถปิดเครื่องฉุกเฉินได้ภายในมิลลิวินาที

รองรับสถาปัตยกรรมซ้ำซ้อนสามเท่า

การออกแบบ 3 ช่องสัญญาณเข้ากันกับระบบ Mark VIe TMR อย่างสมบูรณ์แบบ ช่องสัญญาณควบคุมอิสระสามช่องควบคุมรีเลย์หนึ่งตัวตามลำดับ เมื่อมีอย่างน้อยสองช่องสัญญาณออกคำสั่งตัดการทำงานพร้อมกันเท่านั้น วงจรตัดการทำงานสุดท้ายจึงจะทำงาน การออกแบบนี้ช่วยปรับปรุงความพร้อมใช้งานและความปลอดภัยของระบบได้อย่างมาก

การวินิจฉัยขั้นสูงในตัว ป้องกันความล้มเหลวร้ายแรง

การวินิจฉัยการเปรียบเทียบคำสั่ง/คำติชมเป็นฟังก์ชันอัจฉริยะหลัก GE IS200TTURH1CED ไม่เพียงแต่บอกคุณว่าตัวควบคุมต้องการให้อุปกรณ์สะดุด แต่ยังยืนยันว่าอุปกรณ์สะดุดอีกด้วย การวินิจฉัยแบบวงปิดนี้เป็นรากฐานสำคัญในการรับประกันความน่าเชื่อถือในระยะยาวของวงจรทริปหลัก ซึ่งเป็นฟังก์ชันที่สำคัญที่มีการดำเนินการครั้งเดียวและผลที่ตามมาที่ร้ายแรง

การออกแบบที่ไม่ปลอดภัย

การออกแบบวงจรทริปทั้งหมดเป็นไปตามหลักความปลอดภัยของข้อผิดพลาด ซึ่งหมายความว่าในกรณีที่ไฟฟ้าดับ สายเคเบิลขาด หรือรีเลย์ขัดข้อง ระบบจะเข้าสู่สถานะที่ปลอดภัยโดยอัตโนมัติ ตัวอย่างเช่น วาล์วตัดน้ำมันเชื้อเพลิงมักจะได้รับการออกแบบให้เป็น Fail-Closed และรีเลย์บนบอร์ด TTUR จะได้รับพลังงานและยึดอยู่กับที่เมื่ออยู่ในการทำงานปกติเพื่อให้วาล์วเปิดอยู่ เมื่อบอร์ด TTUR สูญเสียพลังงานหรือได้รับคำสั่งตัดการทำงาน รีเลย์จะปล่อย และวาล์วจะปิดภายใต้การทำงานของสปริง


คำแนะนำผลิตภัณฑ์ที่เกี่ยวข้อง

โมดูลตัวประมวลผล I/O สหาย

โมดูลตัวประมวลผล I/O ทริปหลักเฉพาะกังหัน IS200PTURH1A คือสมองของ TTURH1CED

ผลิตภัณฑ์ที่เกี่ยวข้องรุ่นก่อนหน้า

บอร์ด Mark VI VTUR I/O + บอร์ดเทอร์มินัล TRPXH1B, IS200TTURH1CED คือรุ่นก่อนหน้าโดยตรงของ IS200TTURH1CED ใน Mark VIe

กลไกการกระตุ้นแบบควบคุม

วาล์วตัดน้ำมันเชื้อเพลิง GE SV8/SV12

ระบบทริปออยล์ไฮดรอลิก (Trip Oil System) โซลินอยด์วาล์ว

ทริปคอยล์ของเบรกเกอร์เต้าเสียบเครื่องกำเนิดไฟฟ้า (GCB)

แท็กยอดนิยม:
X
เราใช้คุกกี้เพื่อมอบประสบการณ์การท่องเว็บที่ดีขึ้น วิเคราะห์การเข้าชมไซต์ และปรับแต่งเนื้อหาในแบบของคุณ การใช้ไซต์นี้แสดงว่าคุณยอมรับการใช้คุกกี้ของเรา นโยบายความเป็นส่วนตัว
ปฏิเสธ ยอมรับ