GE IS200TBAIH1CDD
  • GE IS200TBAIH1CDD GE IS200TBAIH1CDD
  • GE IS200TBAIH1CDD GE IS200TBAIH1CDD
  • GE IS200TBAIH1CDD GE IS200TBAIH1CDD

GE IS200TBAIH1CDD

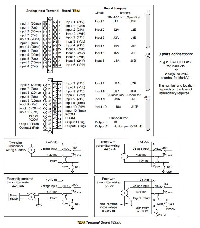
GE IS200TBAIH1CDD คือบอร์ดเทอร์มินัลอินพุตแบบอะนาล็อก 16 ช่องที่ออกแบบโดย General Electric สำหรับกังหัน Mark VIe และ Mark VIeS ขั้นสูงและระบบควบคุมกระบวนการ บอร์ดนี้เป็นส่วนประกอบอินเทอร์เฟซทางกายภาพที่สำคัญในสถาปัตยกรรมระบบ Mark VIe I/O

ส่งคำถาม

รายละเอียดสินค้า

ผลิต
จีอี
หมายเลขรุ่น
IS200TBAIH1CDD
ชุด
มาร์ค วี
ประเทศต้นกำเนิด
สหรัฐอเมริกา
รหัส HS
8504902000
มิติ
20*5*5ซม
มิติการบรรจุ
20*5*5ซม
น้ำหนัก
0.7กก

ภาพรวมผลิตภัณฑ์

GE IS200TBAIH1CDD คือบอร์ดเทอร์มินัลอินพุตแบบอะนาล็อก 16 ช่องที่ออกแบบโดย General Electric สำหรับกังหัน Mark VIe และ Mark VIeS ขั้นสูงและระบบควบคุมกระบวนการ บอร์ดนี้เป็นส่วนประกอบอินเทอร์เฟซทางกายภาพที่สำคัญในสถาปัตยกรรมระบบ Mark VIe I/O หน้าที่หลักคือการสร้างการเชื่อมต่อทางไฟฟ้าที่ปลอดภัย เชื่อถือได้ และเป็นมาตรฐานระหว่างอุปกรณ์ภาคสนามและโมดูลประมวลผล I/O ภายในของระบบควบคุม IS200TBAIH1CDD ไม่ประมวลผลหรือแปลงสัญญาณ เป็นฮับสายไฟความหนาแน่นสูงที่ไม่มีการจ่ายไฟ สัญญาณแอนะล็อกมาตรฐาน เช่น 4-20mA หรือ ±10V DC จากสนามจะเชื่อมต่อกับแผงขั้วต่อนี้ผ่านสายเคเบิลที่มีฉนวนหุ้ม จากนั้นสัญญาณจะถูกส่งไปยังโมดูล VAIC ที่ติดตั้งในชั้นวาง I/O ของตู้ควบคุมผ่านสายแพเฉพาะที่มีความหนาแน่นสูง การออกแบบที่แยกจากกัน "บอร์ดเทอร์มินัล + สายแพ + การ์ด I/O" นี้เป็นคุณลักษณะเด่นของระบบ Mark VIe ซึ่งช่วยลดความยุ่งยากในการเดินสายไฟในสถานที่ การบำรุงรักษาระบบ และการแก้ไขปัญหาข้อผิดพลาด

คุณสมบัติและข้อดีของผลิตภัณฑ์

บรรลุการแยกส่วน "เลเยอร์ทางกายภาพ" และ "เลเยอร์อิเล็กทรอนิกส์" อย่างสมบูรณ์ ซึ่งเป็นรากฐานสำคัญของความน่าเชื่อถือของระบบ

ในการตั้งค่าทางอุตสาหกรรม ข้อผิดพลาดในการเดินสายไฟ การลัดวงจรของสายเคเบิล และแรงดันไฟกระชากเหนี่ยวนำเป็นสาเหตุของความผิดพลาดที่พบบ่อย TBAI ทำหน้าที่เป็น "ไฟร์วอลล์" ตัวแรกในฐานะบอร์ดเทอร์มินัลแบบพาสซีฟ ข้อผิดพลาดทางไฟฟ้าใดๆ ที่เกิดขึ้นที่ฝั่งสนามจะถูกจำกัดอยู่ที่แผงขั้วต่อและสายเคเบิลที่เชื่อมต่อ และจะไม่แพร่กระจายโดยตรงไปยังโมดูลตัวประมวลผล VAIC I/O ที่มีราคาแพงและแม่นยำ แม้ว่าบอร์ดเทอร์มินัลจะเสียหายเนื่องจากสภาวะที่รุนแรง ต้นทุนและเวลาในการเปลี่ยนยังต่ำกว่าการเปลี่ยนการ์ด I/O ที่รวมวงจรปรับสภาพสัญญาณที่ซับซ้อนและชิป ADC ไว้มาก

ด้วยการแยกพื้นที่การเดินสายไฟสนามที่มีสัญญาณรบกวนสูงออกจากพื้นที่อิเล็กทรอนิกส์ควบคุมสัญญาณรบกวนต่ำ การออกแบบ EMC ของระบบ Mark VIe จึงง่ายขึ้น โมดูล VAIC สามารถติดตั้งในตำแหน่งที่สะอาดกว่าและมีการป้องกันที่ดีกว่าภายในตู้ควบคุม ในขณะที่บอร์ด TBAI จะจัดการกับการเชื่อมต่อภาคสนามที่สกปรกทั้งหมด กลยุทธ์การแบ่งพาร์ติชันนี้ช่วยเพิ่มความสามารถในการป้องกันการรบกวนของระบบ I/O ทั้งหมดได้อย่างมาก

โหมดการบำรุงรักษานอกตู้ที่ปฏิวัติวงการเป็นตัวคูณประสิทธิภาพในการปฏิบัติงาน

GE IS200TBAIH1CDD เป็นมิตรต่อการบำรุงรักษาตลอดอายุการใช้งาน ตั้งแต่การทดสอบการใช้งานโครงการ การตรวจสอบรายวัน ไปจนถึงการจัดการข้อผิดพลาด และการยกเครื่องครั้งใหญ่ของอุปกรณ์ เจ้าหน้าที่ซ่อมบำรุงแทบจะไม่ต้องเปิดประตูตู้ควบคุมหลักเลย วิศวกรเครื่องมือสามารถทำงานทั้งหมดที่แผงเทอร์มินัลได้อย่างอิสระ:

การฉีดสัญญาณใช้เครื่องกำเนิดสัญญาณเพื่อฉีดสัญญาณ 4-20mA มาตรฐานบนเทอร์มินัลเพื่อตรวจสอบว่าสายโซ่สัญญาณทั้งหมดจากบอร์ดเทอร์มินัลไปยัง HMI เป็นปกติหรือไม่

ถอดสายเอาต์พุตของอุปกรณ์ออกแล้วเชื่อมต่อเครื่องมือสอบเทียบบนเทอร์มินัลโดยตรงเพื่อสอบเทียบจุด/ช่วงศูนย์ของเครื่องส่งสัญญาณภาคสนาม โดยไม่ส่งผลกระทบต่อการทำงานของระบบควบคุม

เมื่อสัญญาณ AI ผิดปกติ วิศวกรจะตรวจวัดสัญญาณที่แผงขั้วต่อก่อน หากสัญญาณเป็นปกติ ปัญหาอยู่ที่ฝั่งระบบ หากสัญญาณไม่ปกติ ปัญหาก็อยู่ที่ฝั่งสนาม "วิธีการกำหนดตำแหน่งแบบไบนารี" นี้ช่วยลดเวลาการซ่อมแซมข้อบกพร่องโดยเฉลี่ยได้มากกว่า 50%

รองรับการทำงานแบบ Hot-swap ในระบบ Mark VIe ที่กำหนดค่าด้วยโมดูล VAIC สำรอง หากจำเป็นต้องเปลี่ยนแผงเทอร์มินัล TBAI ก็สามารถถอดออกจากสายเคเบิลที่บิดเกลียวและเปลี่ยนใหม่ในขณะที่ระบบกำลังทำงานอยู่ ทำให้ได้รับการบำรุงรักษา "เวลาหยุดทำงานเป็นศูนย์" อย่างแท้จริง โดยปฏิบัติตามขั้นตอนด้านความปลอดภัยที่เข้มงวด



วิวัฒนาการผลิตภัณฑ์และการพัฒนาเทคโนโลยี

วิวัฒนาการของสถาปัตยกรรม GE I/O แสดงให้เห็นอย่างชัดเจนถึงเส้นทางตั้งแต่การบูรณาการไปจนถึงการแยกจากกัน และจากนั้นไปสู่ความอัจฉริยะ:

ในยุคแรกๆ ของ DCS/PLC แนวทางทั่วไปคือการเชื่อมต่อการ์ด I/O โดยตรง ซึ่งยากต่อการบำรุงรักษาและมีความเสี่ยงสูง

ในยุค Mark VIe มีการนำสถาปัตยกรรม I/O ที่แยกออกจากกันโดยสิ้นเชิงที่เป็นนวัตกรรมใหม่มาใช้ การเกิดขึ้นของแผงเทอร์มินัล TBAI/TBAO เป็นผลมาจากการแสวงหาความสามารถในการบำรุงรักษาและความน่าเชื่อถือในการปฏิบัติงานด้านวิศวกรรมอย่างสูงสุด แนวคิดการออกแบบนี้ประสบความสำเร็จอย่างมาก และได้รับการยอมรับจากผู้ผลิต DCS ระดับไฮเอนด์รายอื่นๆ มากมาย

Mark VIeS & Beyond ในปัจจุบันและอนาคต:

สถาปัตยกรรมนี้ยังคงรักษาสถาปัตยกรรมแบบแยกส่วนที่สมบูรณ์และเชื่อถือได้ซึ่งสืบทอดมาอย่างสมบูรณ์ของระบบ Mark VIeS บทบาทของบอร์ดเทอร์มินัล TBAI ไม่มีการเปลี่ยนแปลง

แม้ว่าปัจจุบันเทอร์มินัลอัจฉริยะเป็นแบบพาสซีฟ แต่แนวโน้มของอุตสาหกรรมก็มุ่งไปที่เทอร์มินัลอัจฉริยะแบบแอคทีฟ บอร์ดเทอร์มินัลในอนาคตอาจรวมสเตชั่นมาสเตอร์ IO-Link หรือมัลติเพล็กเซอร์ HART เข้าด้วยกัน ซึ่งไม่เพียงแต่สามารถส่งสัญญาณหลักเท่านั้น แต่ยังอ่านข้อมูลการวินิจฉัยและการกำหนดค่าของเครื่องมือได้อีกด้วย

ส่วนเสริมระบบไร้สายมีไว้สำหรับจุดตรวจสอบที่ไม่สำคัญหรือต่อสายยาก เครื่องส่งสัญญาณไร้สายกำลังกลายเป็นส่วนเสริมที่ทรงพลังสำหรับ TBAI แบบมีสาย แต่ลูปควบคุมที่สำคัญจะยังคงใช้สายเป็นหลัก


แท็กยอดนิยม:
X
เราใช้คุกกี้เพื่อมอบประสบการณ์การท่องเว็บที่ดีขึ้น วิเคราะห์การเข้าชมไซต์ และปรับแต่งเนื้อหาในแบบของคุณ การใช้ไซต์นี้แสดงว่าคุณยอมรับการใช้คุกกี้ของเรา นโยบายความเป็นส่วนตัว
ปฏิเสธ ยอมรับ